信息发布→ 登录 注册 退出

毕业设计 物联网智能开关平台服务端硬件端、安卓端和前端源码 源代码 程序

  • 500
    • 电话联系TA

      18586185913-杨国奇

  • 付费下载
 
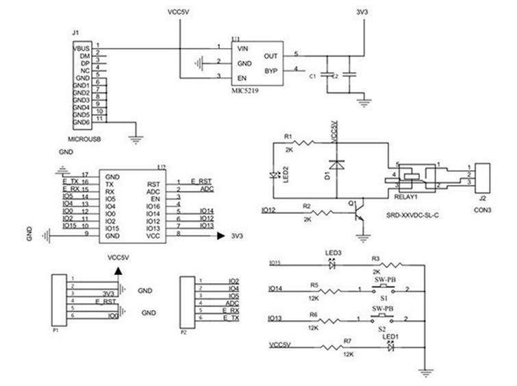
我们拥有者专业的技术团队和设计团队,对物联网程序前后端和主板线路图设计有着丰富经验,业务可以先设计后付款流程。
   
信息详情

我们团队有着前后台开发技术外还有线路设计   主板设计的人员,

可以做毕业设计 比如蓝牙音响  小爱同学类   可以做简单机器人   远程控制器等

有需求的提前联系


标签:
服务热线

服务热线

18764220718

微信咨询
二维码
返回顶部
×二维码

截屏,微信识别二维码

微信号:

(点击微信号复制,添加好友)

打开微信

微信号已复制,请打开微信添加咨询详情!